Bộ chuyển đổi tín hiệu 4-20mA sang 0-5VDC. Bộ chuyển đổi 4-20mA sang 0-5V, bộ chuyển đổi tín hiệu analog VDC, cách ly tín hiệu.
Tổng quan và sơ lược bộ chuyển đổi 4-20mA sang 0-5V
Là thiết bị chuyển đổi điện áp từ tín dòng điện 4-20mA thành 0-5VDC, thường sử dụng cho các mạch linh kiện điện tử, mạch arduno. Chuyển đổi tín hiệu cảm biến như cảm biến nhiệt độ, cảm biến đo gió, cảm biến âm thanh cho các loại vi xử lý sử dụng. Những thiết bị này thường chỉ đọc được tín hiệu nhỏ 0-5VDC, các loại PLC, thiết bị hiển thị.
Tham khảo: Công tắc dòng chảy

Bộ chuyển đổi tín hiệu 4-20mA sang 0-5VDC được thiết kế nhỏ gọn, lắp đặt cài din rail, dễ dàng lắp trên các tủ điện điều khiển. Với khả năng hoạt động ổn định, thiết kế chuẩn công nghiệp có thể giúp thiết bị có thể sử dụng cho các dự án lớn.
Là thiết bị trung gian cho các linh kiện điện tử và thiết bị cảm biến như. Cảm biến đo ẩm , cảm biến áp suất, cảm biến PH, cảm biến siêu âm, cảm biến đo mức nước giao tiếp với nhau một cách dễ dàng. Với tín hiệu 4-20mA từ cảm biến sẽ được chuyển thành tín hiệu tương tự 0-5VDC.

Giờ đây vấn đề sai số của thiết bị cũng được giải quyết bằng việc tích hợp hiệu chỉnh zero và span ngay trên thiết bị. Để chúng ta có thể điều chỉnh sai số ngưỡng cao và ngưỡng thấp. Điều đỉnh đồng bộ giữa các thiết bị với nhau.
Than khảo: Lưới lọc bụi
Thông số kỹ thuật Bộ chuyển đổi tín hiệu 4-20mA sang 0-5VDC.
Model: VELT-420-005
Nguồn cấp: 24VDC. 10%
Chính xác: 0.2% F.S. at 25ºC.
Linearity: 0.2% F.S.
Thời gian đáp ứng: Nhỏ hơn 400ms .
Vật liệu thân: Polyamide PA6 UL94 V-2.
Ngõ vào: 4-20mA.
Ngõ ra: 0-5VDC
Nhiệt độ:-20~55 độ C.
Lắp đặt: Din rail 3.5
Tham khảo: Biến dòng kẹp
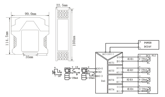
Thông số kích thước bộ chuyển đổi
Bộ chuyển đổi tín hiệu 4-20mA sang 0-5VDC với kích thước nhỏ gọn và tối giản trong việc đấu nối điện. Chúng ta chỉ cần kết nối hai dây nguồn, hai dây ngõ vào và hai dây ngõ ra trực tiếp.
Tham khảo: Bộ chuyển đổi PT100 sang 4-20mA

Một vài lưu ý khi sử dụng Bộ chuyển đổi tín hiệu 4-20mA sang 0-5VDC.
Việc nhầm lẫn đấu nối nguồn cấp và ngõ vào sẽ làm hỏng thiết bị. Chân nguồn cấp rất dễ nhầm lẫn nên chúng ta cần chú ý kỹ vấn đề này.
Khi sử dụng hoặc test thiết bị chúng ta phải cấp đủ 2 tín hiệu, nguồn nuôi, tín hiệu ngõ vào input thì ngõ ra output mới hoạt động.
Việc điều chỉnh zero và span trên Bộ chuyển đổi tín hiệu 4-20mA sang 0-5VDC là nên hạn chế và phải hiểu cách chỉnh, nếu không sẽ làm sai số sản phẩm.
Tham khảo: Giám sát nhiệt độ từ xa




































